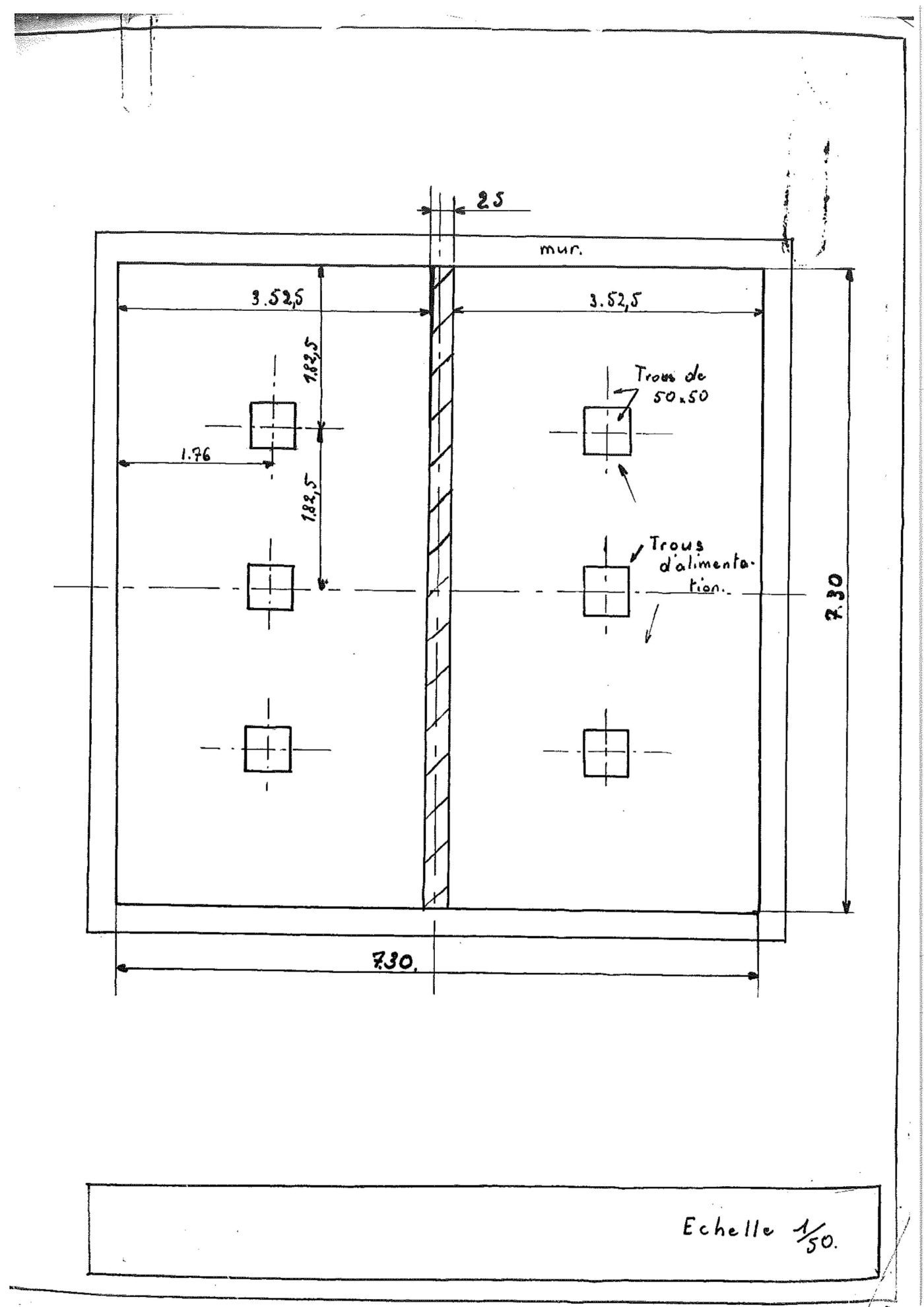
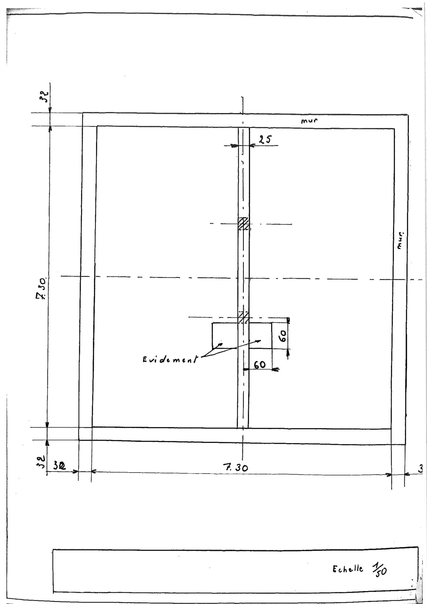
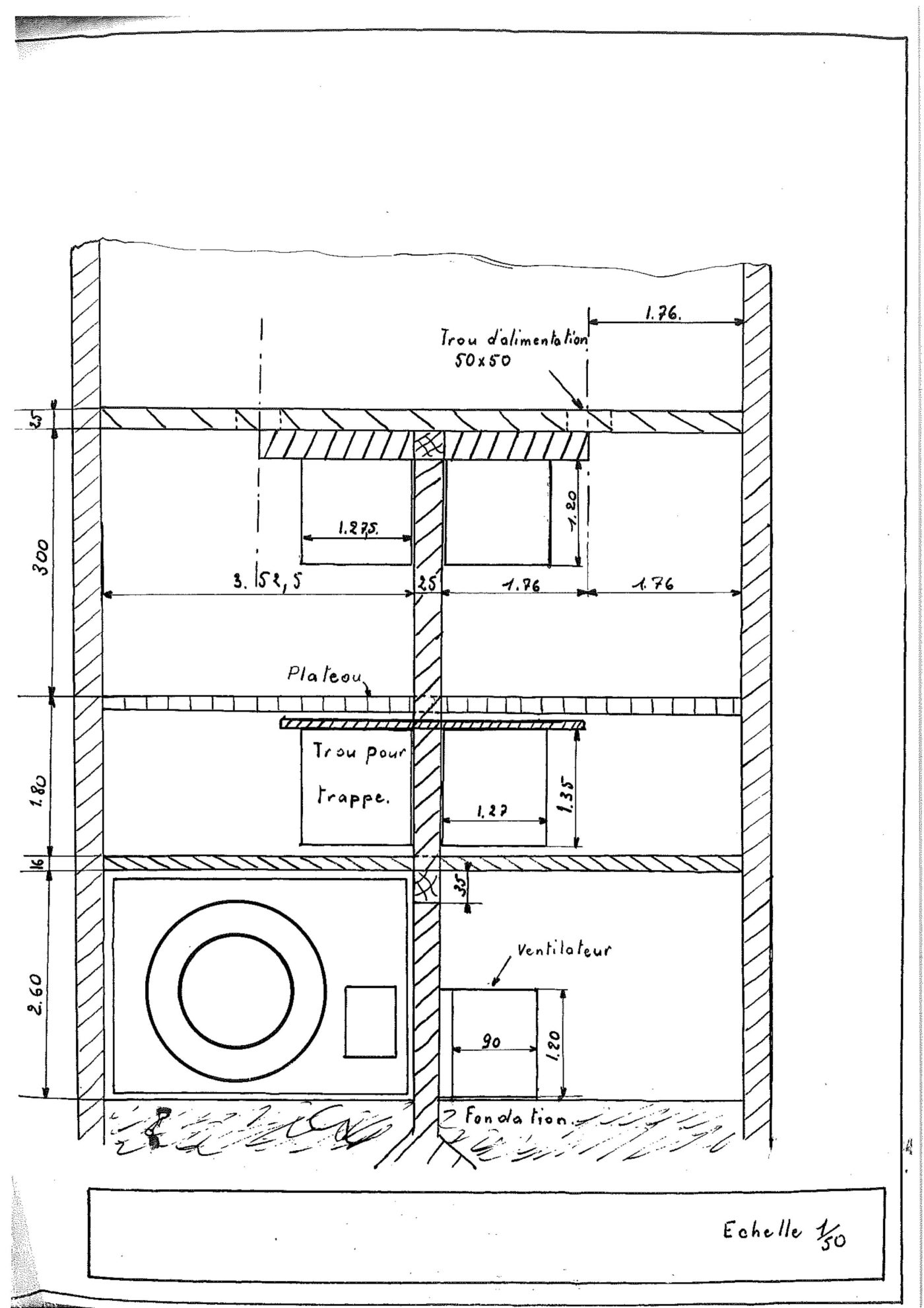
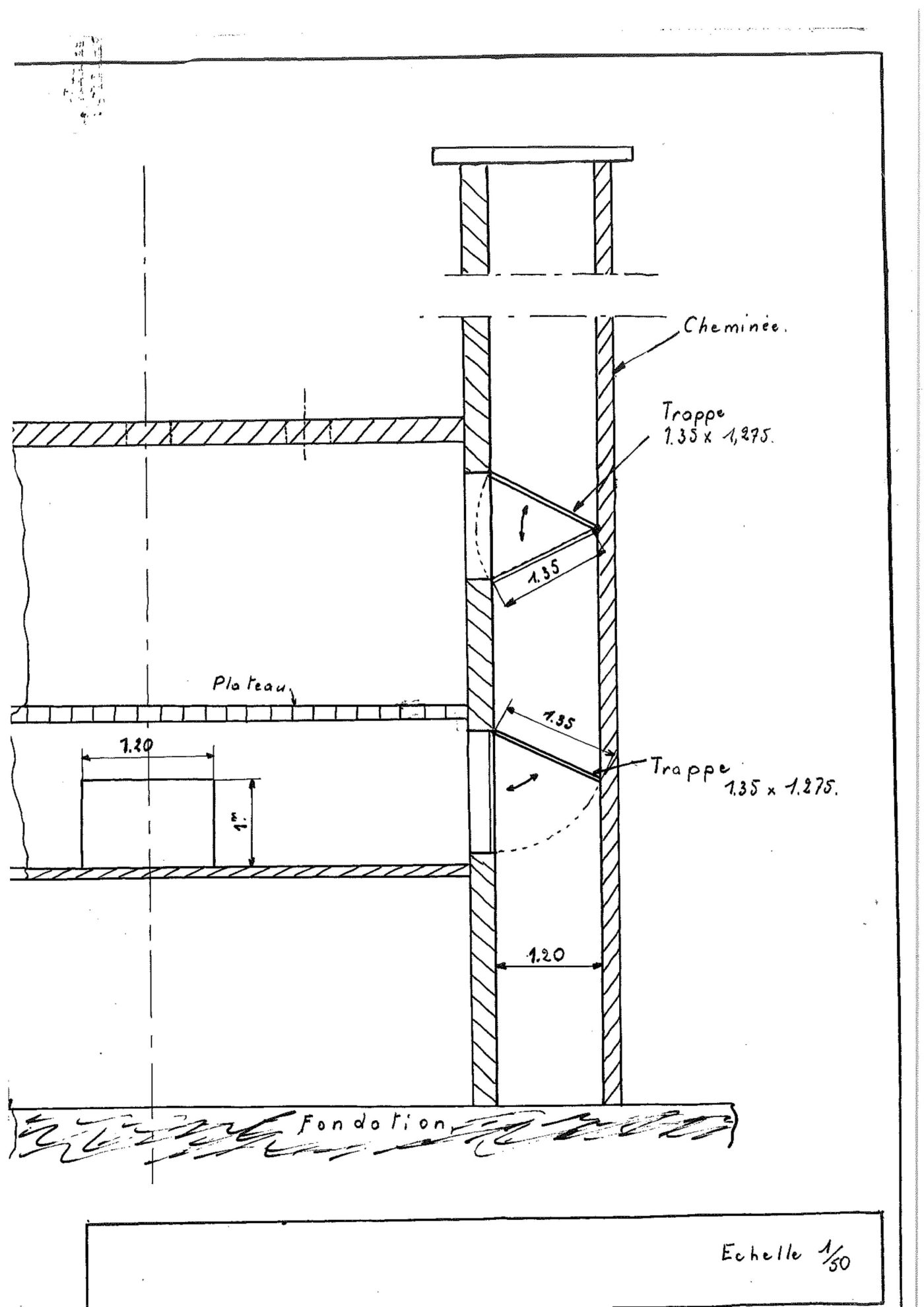
Plan sécherie Muger
Le système traditionnel n’a connu aucune modification jusqu’à l’apparition des séchoirs industriels, de type "Müger", dans les années 60. Le développement de séchoirs de ce type, fonctionnant au fuel, a eu lieu pendant une période où cette énergie n’était pas chère. Le premier sécheur en France à avoir implanté un séchoir Müger est M. Louis LUTUN, à l’Etoile, s’inspirant d’un procédé allemand, emprunté à la malterie. Les séchoirs de ce type ne possèdent qu’un seul plateau, divisé en deux. L’air est pulsé par-dessous dans un premier temps pour évacuer un maximum de vapeur, puis par inversion du système de trappes, l’air chaud arrive par-dessus. Chaque phase dure 12h et les cossettes n’avaient pas besoin d’être retournées. Une fois sèches, elles étaient ensuite descendues et stockées sur le sol.
Ast type Muger
Het traditionele systeem is niet veranderd tot het verschijnen van industriële drogers, type "Muger", 35 jaar geleden. De ontwikkeling van dit soort brandstof-drogers vond plaats in een periode waarin mazout niet duur was. De eerste droger in Frankrijk die een Muger-droger heeft geïnstalleerd, is de heer Louis LUTUN, bij L'Etoile. Die was geïnspireerd door een Duits proces, geleend van het mouten. Drogers van dit type hebben slechts één plaat, verdeeld in twee. De lucht wordt eerst van onderaf gestuurd om een maximum aan stoom te verwijderen, vervolgens wordt het proces omgekeerd en wordt van bovenuit hete lucht ingeblazen . Elke fase duurt 12 uur en de bonen hoeven niet te worden gekeerd. Eenmaal droog worden ze vervolgens neergelaten en op de grond opgeslagen.









